SURFACE FLAT ROUND

SF FLAT RD 330 P 19W CPS

GTIN: 4099854292378 Astuccio / 1 Mostra tutti i pacchetti
Garanzia di 5 anni

DETTAGLI DEL PRODOTTO

Vantaggi del prodotto
  • Facile aggiornabilità di sorgente luminosa, driver e sensore (design EVERLOOP)
  • Estremamente versatile grazie al CCT selezionabile e agli step di potenza (Multi Color/Multi Lumen) sul driver
  • luminaire interni ad elevata efficienza luminosa fino a 140 lm/W
  • Elevata consistenza del colore con SDCM 3
  • Connessione senza l'ausilio di attrezzi grazie al pulsante del connettore
  • Luce molto omogenea con leggero effetto controluce
  • Con le versioni DALI sono possibili altri servizi come il monitoraggio energetico e la manutenzione remota
  • 5 anni di garanzia
Aree di applicazione
  • Sostituzione diretta per apparecchi di superficie con lampade CFLni integrate
  • Corridoi
  • Scale
  • Bagni
  • Hall
Caratteristiche del prodotto
  • Tipo di protezione: IP54 (parete e soffitto)
  • Resistenza agli urti: IK08
  • Durata (L80/B10): 100.000 ore (a 25 °C), (L90/B10): 50.000 ore (a 25 °C)
  • Alloggiamento in policarbonato (PC), diffusore in PC
  • Temperatura ambiente in funzione: -20…+45 °C
  • Prova del filo incandescente in conformità alla norma IEC 695-2-1: 850 °C
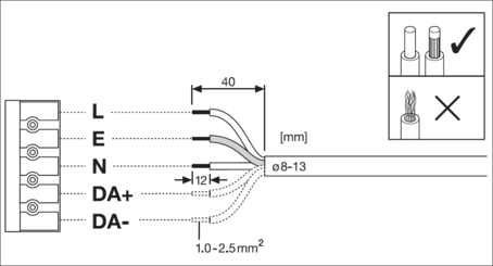
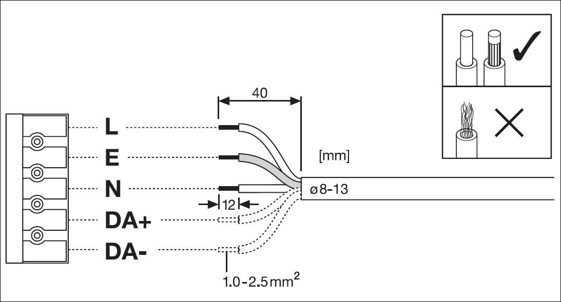
  • Morsettiera a 5 poli, sezione del cavo fino a 5 x 2,5 mm²
  • Possibile cablaggio passante
  • Solo per uso interno, non adatto per uso esterno
  • Versione con sensore ad alta frequenza, funzione corridoio e raggruppamento
Apparecchiatura / Accessori
  • luminaire EVERLOOP: aggiornamenti e sostituzioni disponibili
  • Cornice decorativa in argento disponibile separatamente
Riferimenti / Collegamenti
DATI ELETTRICI
Potenza nominale 19 W / 12 W 1)
Tensione nominale 220…240 V
Frequenza di rete 50/60 Hz
Corrente nominale 85,000 mA
Corrente di innesco 13 A
Limit.corrente inrush Th50 112 µs
Num. Max. di lum. su interruttore B16 A 57
Num. Max. di lum. su interruttore C10 A 46
Max. numero di apparecchi per interruttore magnetotermico C16 73
Fattore di potenza λ > 0,90
Distorsione armonica totale < 20 %
Classe di sicurezza II
Modalità di funzionamento Integrated LED driver
1) Per le possibili opzioni fare riferimento all'immagine della tabella lumen/potenza
Dati fotometrici
Flusso luminoso 2660 lm / 1660 lm 1)
Efficienza luminosa 140 lm/W / 138 lm/W 1)
Temperatura di colore 3000 K / 4000 K
Colore della luce (descrizione) Bianco caldo, Bianco freddo
Indice di resa cromatica Ra > 80
Standard Deviation of Color Matching 3 sdcm
Nessuno sfarfallio
Metrica dello sfarfallio (flicker) (Pst LM) <1
Metrica dell’effetto stroboscopico (SVM) <0.4
Gruppo di sicurezza fotobiologic EN62778 RG0
Ampiezza fascio luminoso 120 °
1) Per le possibili opzioni fare riferimento all'immagine della tabella lumen/potenza
DIMENSIONI E PESO
Diametro 330,00 mm
Altezza 65,00 mm
Peso prodotto 1369,00 g
MATERIALE & COLORI
Colore del prodotto Bianco
Colore della struttura Bianco
Materiale del corpo Polycarbonate (PC)
Materiale della copertura Polycarbonate (PC)
Materiale superficie che emette la luce Policarbonato (PC)
Test filo incandescente (IEC 60695-2-12) 850 °C
Contenuto di mercurio nella lampada 0.0 mg
APPLICAZIONE & INSTALLAZIONE
Temperatura ambiente -20…+45 °C
Temperatura di stoccaggio -40…+80 °C
Tipo di collegamento Terminale senza viti
Grado di protezione IP54
Indice IK (resistenza agli urti) [PIM] IK08
Dimmerabile No
Montaggio tipo Surface
Posizione di montaggio Soffitto, Parete
Ambiente applicativo IndoorIndoor
Con sorgente luminosa
Replaceable light source
Durata
Durata L70/B50 @ 25 °C 100000 h 1)
Durata L80/B10 @ 25 °C 100000 h 1)
Durata L90/B10 @ 25 °C 50000 h
Numero cicli accensione / spegnimento 100000
1) t[h]: L70 / B50 @ 25 °C (Ta), t[h]: L80 / B10 @ 25 °C (Ta), t[h]: L90 / B10 @ 25 °C (Ta)
ALIMENTATORE
Corrente di uscita 450 mA
ECG - Tensione di uscita < 5 %
SENSORE
Tipo di sensore -
ILLUMINAZIONE DI EMERGENZA
Tipo di illuminazione di emergenza (EL) Driver certificato EL (funzionamento 0Hz/DC) per il funzionamento a batteria centrale incluso
CERTIFICATI, NORME E DIRETTIVE
Norme CE, CB, ENEC, UKCA, EAC, EPD
Temperatura di superficie limitata
Resistenza agli urti di un pallone No
EPD LEDV-00028-V01.01-EN
Modulo LED sostituibile non sostituibile
ALTRE CARATTERISTICHE DEL PRODOTTO
Funzione aggiunta EVERLOOP, MULTI SELECT
SCHEDA PRODOTTO RELATIVA ALLE QUALITÀ E CARATTERISTICHE AMBIENTALI
Tasso minimo di materiale riciclato nell'imballaggio 80 % 1)
Percentuale minima di contenuto riciclato nel prodotto 0 % 1)
Riciclabilità del prodotto Imballaggio in gran parte riciclabile 1)
Riciclabilità dell'imballaggio Prodotto in gran parte riciclabile 1)
Elenco delle sostanze pericolose contenute nel prodotto in concentrazioni superiori allo 0,1% in percentuale di massa No
Contiene sostanze estremamente problematiche in concentrazioni superiori allo 0,1% in percentuale di massa
Elenco delle sostanze estremamente preoccupanti in concentrazioni superiori allo 0,1% in percentuale di massa Lead (7439-92-1)
1) Secondo il decreto AGEC 2022-748 (legislazione francese anti-rifiuti per un'economia circolare)
Codice prodotto Unità di imballo (Pezzi/unità) Dimensioni (lunghezza x profondità x altezza) Peso lordo Volume
4099854292378 Astuccio
1
72 mm x 336 mm x 336 mm 1565.00 g 8.13 dm³
4099854292385 Cartone di spedizione
6
448 mm x 353 mm x 358 mm 10053.00 g 56.62 dm³
Immagine del prodotto Nome del prodotto Marca del prodotto Tipo di componente del prodotto Codice EAN
LISOEV 330 R 19W 830 840 SF FLAT LEDVANCE SORGENTE LUMINOSA direct 4099854312212
DR DS SENS-P- 19/220-240/450 SF FL LEDVANCE driver direct 4099854292859
Istruzioni per l'uso / istruzioni di sicurezza
UI Surface Flat
Informazioni legali
LISO Insert SF FLAT
Informazioni legali
Legal Insert SF FLAT
Informazioni legali
Informationstext 18 Abs 4 ElektroG
Dichiarazioni di conformità
CE Declaration SF FLAT
Certificati
ENEC SF FLAT
EPD
EPD EN SURFACE FLAT
Immagine del prodotto: sfondo bianco, diagonale
SF FLAT RD 330 P
Immagine del prodotto: sfondo bianco, verticale
SF FLAT C 330
Disegno del profilo del prodotto con lettere
SF FLAT RD 330 19W CPS
Disegno del profilo del prodotto con numeri
SF FLAT RD 330 19W CPS
Disegno del profilo del prodotto - tecnica
SF FLAT RD 330 19W CPS
Beauty Shot
SF FLAT R 330
Scatto combinato = Scatto Product Beauty + immagine della confezione
SF FLAT RD 330 P 19W CPS
Immagine della confezione, frontale
SF FLAT RD 330 P 19W CPS
Immagine della confezione, spaziale
SF FLAT RD 330 P 19W CPS
Informazioni catalogo 1
Catalog info 1 SF FLAT
Informazioni catalogo 2
Catalog info 2 SF FLAT
Informazioni catalogo 3
Catalog info 3 SF FLAT
Informazioni catalogo 4
Catalog info 4 SF FLAT
Informazioni catalogo 5
Catalog info 5 SF FLAT
File IES (IES)
SF FLAT RD 330 P 19W 3000K 2490lm
File IES (IES)
SF FLAT RD 330 P 19W 4000K 2660lm
File LDT (Eulumdat)
SF FLAT RD 330 P 19W 3000K 2490lm
File LDT (Eulumdat)
SF FLAT RD 330 P 19W 4000K 2660lm
File ULD (DIALux)
SF FLAT RD 330 P 19W CPS
File ROLF (RELUX)
SF FLAT RD 330 P 19W CPS
File UGR (tabella UGR)
SF FLAT RD 330 P 19W 3000K 2490lm
File UGR (tabella UGR)
SF FLAT RD 330 P 19W 4000K 2660lm
Curva di distribuzione della luce tipo cono
SF FLAT RD 330 P 19W 3000K 2490lm
Curva di distribuzione della luce tipo cono
SF FLAT RD 330 P 19W 4000K 2660lm
Curva di distribuzione della luce tipo polare
SF FLAT RD 330 P 19W 3000K 2490lm
Curva di distribuzione della luce tipo polare
SF FLAT RD 330 P 19W 4000K 2660lm
BIM Revit 3D
Surface Flat
CAD STEP 3D
SF FLAT RD 330
Immagini applicative
Surface Flat Round Foyer lights on
Immagini applicative
Surface Flat Round Foyer lights off
Immagini applicative Getty
Surface Flat Round Hospital light on
Immagini applicative Getty
Surface Flat Round Hospital lights off
EAN Numero SEG Numero STK Nr. EFO Numero ELDAS
4099854292378 7511148 4152047 3378119 941201000